YKD2204M
发布时间:2022-01-21
YKD2204M
新一代32位DSP控制技术,高性价比、平稳性佳、振动性能优越
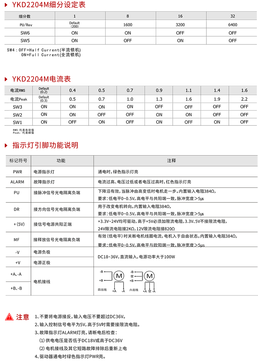
设有4档等角度恒力矩细分,最高32细分
电流控制平滑,精准,电机发热小
最高脉冲响应频率可达100KHz
步进脉冲停止超过200ms时,电机电流减半
低频小细分时具有极佳的平稳性
光电隔离差分信号输入,抗干扰能力强
驱动电流峰值在2.2A以下可调
电压输入范围:DC18~36V
具有过压,欠压等出错保护功能
体积非常小巧,体积为86*55*21(mm³),重量0.12kg
典型应用:
主要应用于医疗设备、点胶机、雕刻机、激光设备、贴标机、电子设备、广告设备等自动化设备。在用户期望低发热、小噪声、低振动、高平稳性、高精度的设备中应用效果特佳。
概述
YKD2204M是基于全新一代32位DSP技术的高性能步进驱动器,驱动电压DC18~36V。适配峰值电流在2.2A以下,外径20mm、28mm、35mm、42mm的各种型号的两相混合式步进电机。
该驱动器在内部采用类似伺服的控制原理,独特的电路设计,优越的软件算法处理,使得电机在运行平稳性、噪音、振动等性能方面具有优越的性能;平滑、精确的电流控制技术大大减小了电机发热;外置4档等角度恒力矩细分,最高32细分;光耦隔离共阳信号输入,抗干扰能力强;具有过压、欠压等出错保护功能;在医疗设备、点胶机、激光雕刻等中、低速应用领域其平稳性、低振动、低噪声优势明显,可大大提高设备性能。
技术数据











